';

KCEHM_R48 Series Harmonic Gearbox

The product can effectively replace some direct-drive motors and hollow rotary platformsRotating actuators such as precision cam splitters and servo-integrated high-ratio planetary reducers.The harmonic reducer is combined with a standard servo motor or a stepper motor.

Product features
In the field of collaborative robots,Further reduce the volume and weight of the robot joint module,Implement a highly integrated transmission joint module solution

  • Overview
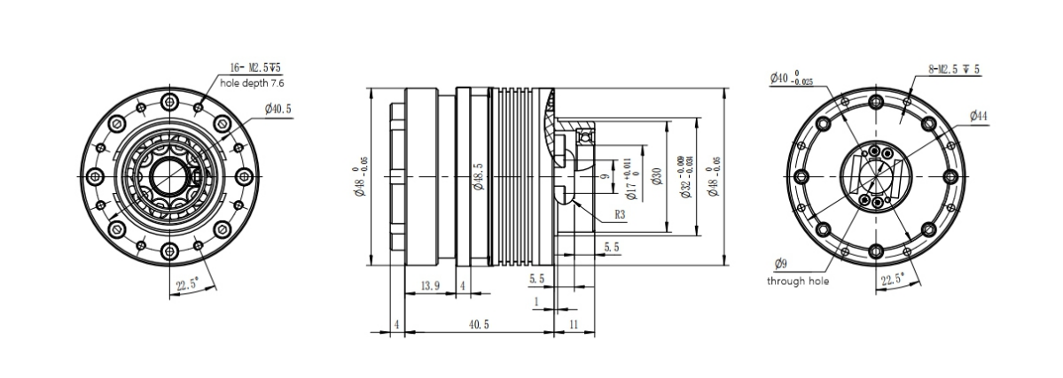
  • Standard drawings
  • Related Products

Need detailed drawings and information

Please Input Validate code

Need detailed drawings and information

Please Input Validate code
网站统计