';

KMCG-A Series Harmonic Gearbox

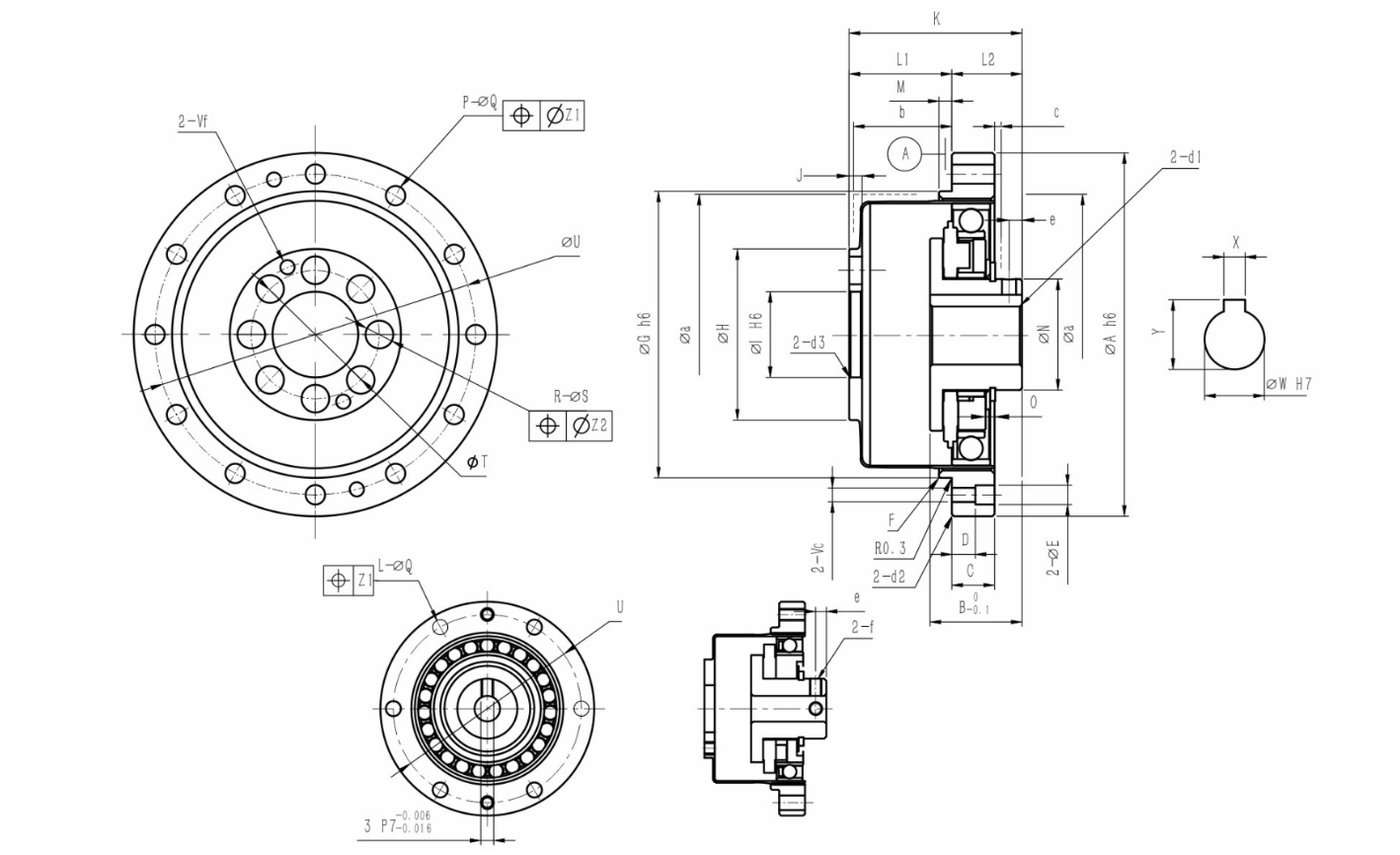
KMCG-A series consists of three basic components: flexible gear, rigid gear and wave generator. The flexible gear is a cup-shaped standard structure, and its input shaft directly cooperates with the inner hole of wave generator and connects with it through flat key or fastening screw.

Product features
Compact and simple design
No backlash
Input and output coaxial
Excellent positioning accuracy and rotation accuracy

  • Overview
  • Standard drawings
  • Related Products

Need detailed drawings and information

Please Input Validate code

Need detailed drawings and information

Please Input Validate code
网站统计