';

KMCG-C Series Harmonic Gearbox

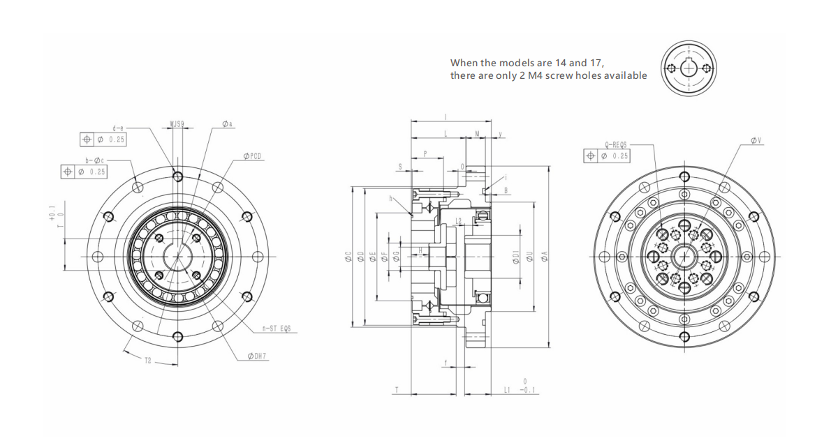
The KMCG-B series flexspline adopts a cup-shaped standard structure, with the input shaft directly fitting into the inner hole of the wave generator and connected via a flat key. Generally, the rigid spline end is fixed, while the output connection method of the flexspline end is used.

Product features
Cup-shaped integrated cam structure
Compact and concise design
No backlash
Input and output are coaxial
Excellent positioning accuracy and rotational accuracy

  • Overview
  • Standard drawings
  • Related Products

Need detailed drawings and information

Please Input Validate code

Need detailed drawings and information

Please Input Validate code

QUESTIONS?

Our experts are here for you!

CONTACT US

email

WhatsApp

Sales

Tel

email

E-mail

sales@moflon.com

网站统计