';
MK43 Series
4 Passages G3/8" Gas/Vacuum + 0~96 Circuits
MK43 slip rings
  • MK43 series is 4 passages pneumatic Rotary Union(Can combine electric wires), with connection size G3/8", compact size, light weight, low torqure, Also optional for transmitting power line, signal line, industrial bus, control line, Electromagnetic valve, induction line, etc.; Standard installation is flange mounting.
    Media Types: Compress Air/Gas, vacuum;Can combine 2~96 circuits(2A),can also use pneumatic part,without circuits.
    Media Types: compressed Air/Gas, vacuum, etc.
Specification
Rotary Union SpecificationsMechanical data
ParameterValueParameterValue
Passage4 in 4 out, G3/8"Working LifeOver 10 Million Revs
Max.5MPa Vacuum 0.01torrRotating Speed500RPM
TorqueSee Part#ListWorking Temp.-30℃~80℃
Electrical dataOperating Humidity0~85% RH
ParameterValueContact MaterialSee Prod Quality Level
PowerSignalHousing MaterialAluminium Alloy
Rated Voltage0~440VAC/VDC0~440VAC/VDCProtection gradeIP51
Insulation Res≥1000MΩ/500VDC≥1000MΩ/500VDC
Lead WiresAWG16#TeflonAWG22#Teflon
Lead LengthStandard 300mm
Dielectric Strength500VAC@50Hz,60s
Res Noise<0.01Ω



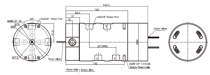
MK43 (rotary union only for pneumatic) drawing (4 in 4 out, connection size G3/8")


MK43 Parts# List
ModelPassagesConnection SizeTube Size
MK434G3/8"10~12mm

MK41S-S12/MK41S-S18/MK41S-S24/MK41S-S36 Drawings


MK41S-S12/MK41S-S18/MK41S-S24/MK41S-S36 Parts# List
ModelPassagesConnection SizeTube SizeSignal(2A)L(mm)
MK43S-S124G3/8"10~12mm1221
MK43S-S184G3/8"10~12mm1828
MK43S-S244G3/8"10~12mm2438.6
MK43S-S364G3/8"10~12mm3652.3

MK43S-S56 drawing 4 in 4 out, connection size G3/8" + 56XSignal(2A)


MK43-S56 Parts# List
ModelPassagesConnection SizeTube SizeSignal/(2A)
MK43-S564G3/8"10~12mm56

MK43-PXX-SXX drawing 4 in 4 out, connection size G3/8"+signal(5A)/10A


MK43-PXX-SXX Parts# List
ModelPassagesConnection SizeTube Size10ASignal/5AL(mm)
MK43-P06104G3/8"10~12mm6045.2
MK43-S064G3/8"10~12mm0645.2
MK43-P12104G3/8"10~12mm12065.6
MK43-P0610-S064G3/8"10~12mm6665.6
MK43-S124G3/8"10~12mm01265.6
MK43-P18104G3/8"10~12mm18086
MK43-P0610-S124G3/8"10~12mm61286
MK43-P1210-S064G3/8"10~12mm12686
MK43-S184G3/8"10~12mm01886
MK43-S244G3/8"10~12mm024106.4
MK43-P0610-S184G3/8"10~12mm618106.4
MK43-S304G3/8"10~12mm030126.8
MK43-S364G3/8"10~12mm036150.2

Note:10A and signal(5A) can be freely combined, please contact customer service for details.

More product references in the same series:
Request 3D Model(*.STEP) Files
X

In our 3D database, over 20000 3D -Models are available, due to protection of commercial confidentiality,
Please write your company name and email.

3D Model files will be sent to your emails automatically in 5 minutes.

Please Input Validate code

QUESTIONS?

Our experts are here for you!

CONTACT US

email

WhatsApp

Sales

Tel

email

E-mail

sales@moflon.com

网站统计