';
GJ6050 Series
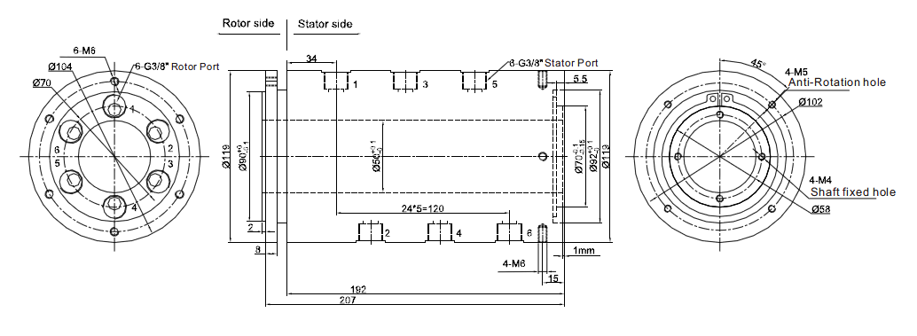
Through bore 50mm, 6 inlet and 6 outlet
GJ6050 slip rings
  • GJ6050 series is rotary joint for water,and other media with through bore 50mm, 6 inlet and 6 outlet, can be customized with electric slip rings.
  • GJ6050 have two port size G1/8、G3/8 ,It can transfer media as compressed aird, vacuum, hydrogen, nitrogen, steam, cooling water, hot water, oil and so on.
Standard series PART# Explanation

Product Quality Level Table
Products Level CodeMax speedWorking LifeSealing Element
VC100RPM10Million Revs.Common Seals
VD300RPM30Million Revs.High-Quality Seals

Specification
Rotary Union Specifications
ParameterValue
Passage6 in 6 out
Max.10MPa,Vacuum 0.01torr
TorqueSee Part#List



GJ6050 Parts# List
Part#Connection sizeTorque(N.M)Connection sizeID
GJ6050-026 in 6 out4G1/850mm
GJ6050-046 in 6 out4G3/850mm

GJ6050-02 6 inlet 6 outlet, G1/8


GJ6050-04 6 inlet 6 outlet, G3/8


More product references in the same series:
Request 3D Model(*.STEP) Files
X

In our 3D database, over 20000 3D -Models are available, due to protection of commercial confidentiality,
Please write your company name and email.

3D Model files will be sent to your emails automatically in 5 minutes.

Please Input Validate code

QUESTIONS?

Our experts are here for you!

CONTACT US

email

WhatsApp

Sales

Tel

email

E-mail

sales@moflon.com

网站统计