';

| Product Quality Level Table | |||
| Products Level Code | Max speed | Working Life | Contact Material |
| VC | 150RPM | 10Million Revs. | Precious Metal |
| VD | 600RPM | 20Million Revs. | Gold-plated |
| Specification | ||||
| Ethernet Specification | Mechanical data | |||
| Parameter | Value | Parameter | Value | |
| 100M/1000M | 1 | Working Life | See Prod Quality Level | |
| Connector | RJ45 | Rotating Speed | See Prod Quality Level | |
| BER Error rate | 10E-11 | Working Temp. | -30℃~80℃ | |
| Electrical data | Operating Humidity | 0~85% RH | ||
| Parameter | Value | Contact Material | See Prod Quality Level | |
| Power | Signal | Housing Material | Aluminium Alloy | |
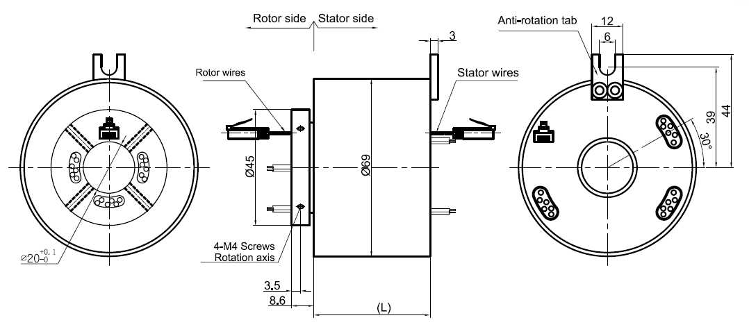
| Rated Voltage | 0~440VAC/VDC | 0~440VAC/VDC | Torque | 0.1N.m;+0.03/6ring |
| Insulation Res | ≥1000MΩ/500VDC | ≥1000MΩ/500VDC | Protection grade | IP51 |
| Lead Wires | AWG17#Teflon | AWG22#Teflon | ||
| Lead Length | Standard 300mm | |||
| Dielectric Strength | 500VAC@50Hz,60s | |||
| Res Noise | <0.01Ω | |||
What is rotary joint electrical connector,rotatable electrical connector? rotary joint electrical connector is a slip ring used to transfer ethernet and power or signal from a stationary part to a rotating part, preserving and isolating the electrical connection. rotatable electrical connector is a connector used to transfer ethernet and power or signal from a stationary part to a rotating part, preserving and isolating the electrical connection when rotating 360°. Moflon offer standard rotary joint electrical connector,rotatable electrical connector product lines grouped by function and feature exclusive contact technology selected for compatibility to each application's current, voltage, temperature, speed, and required service life. Moflon's rotary joint electrical connector and rotary slip rings are used for food processing machinery,injection presses,intelligent machinery,laminating equipment,machine tools,manipulators, electric,material handling systems,packaging machinery,platform cranes,jib cranes,knuckle boom cranes,robotic welding equipment,rotary casting machines,rotary index tables,hoists,work platforms,signage related equipment:,advertising displays,exhibits and displays,theater and stage sets,pallet wrappers,paper processing machinery,plating machinery,pedestal cranes,rough terrain cranes,tower cranes,truck mounted,fire aerial ladders,lift platforms & tables,position welding equipment,rotating platforms,rotational molding equipment,welding machinery. 1)10A,20A,5A can be combined in any way,we'd pleased to help if need higher than 2A | ||||||||||||||||||||||||||||||||||||||||||||||||||||||||||||||||||||||||||||||||||||||||||||||||||||||||||||||||||||||||||||||||||||












In our 3D database, over 20000 3D -Models are available, due to protection of commercial confidentiality,
Please write your company name and email.
3D Model files will be sent to your emails automatically in 5 minutes.