';
GZ045 Series
OD 45mm, 2~54 rings,20A/signal
Rotating Power Plug
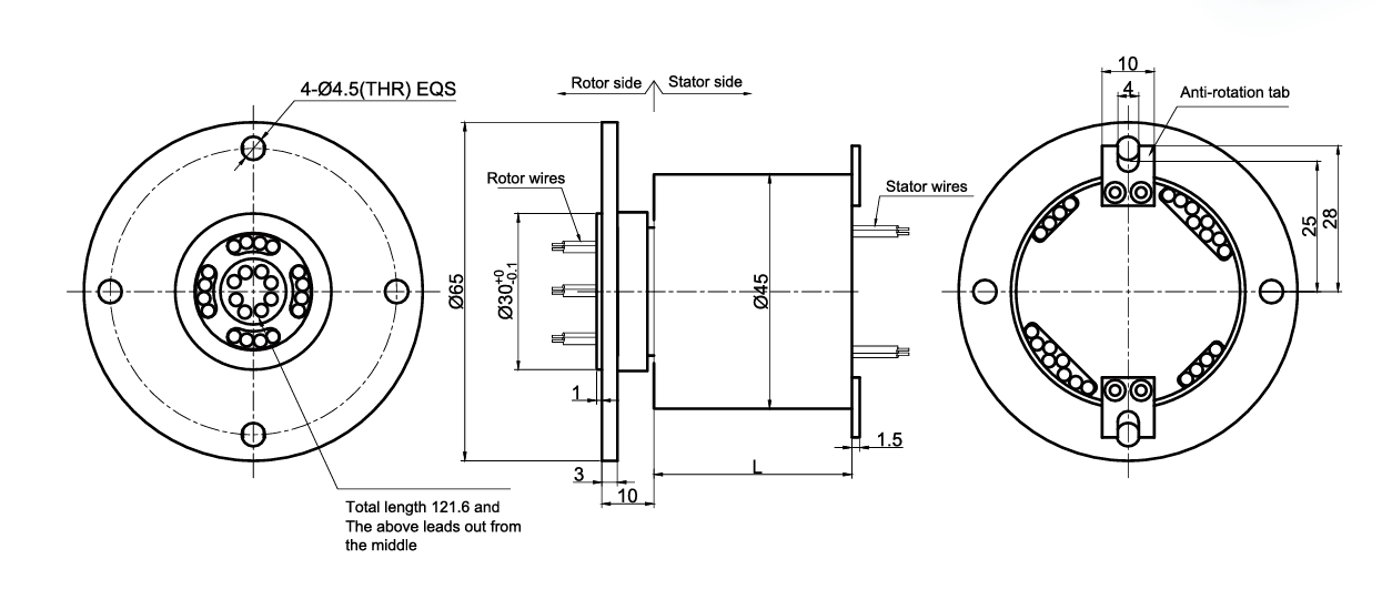
  • The GZ045 series high-speed rotor flange conductive slip rings refer to a series of slip rings with a rotor part of 45MM outer diameter and a connecting flange, suitable for installation on the flange end face.
Standard series PART# Explanation

Rotating Electrical


Specifications of Rotating Electrical Slip Rings
Mechanical dataElectrical data
ParameterValueParameterValue
Working Life100 Million RevsPowerSignal
Rotating Speed1-1800RPMRated Voltage0~380VAC/VDC0~240VAC/VDC
Working Temp.-30℃~80℃/-45°C~80°CInsulation Res≥1000MΩ/500VDC≥1000MΩ/500VDC
Operating Humidity0~85%RH/0-97%RHLead WiresAWG17#TeflonAWG22#Teflon
Contact Materialprecious metalLead Lengthstandard length300mm(adjustable)
Housing MaterialAluminium Alloy+engineering plasticDielectric Strength500VAC@50Hz,60s
Torque0.1N.m;+0.03/6ringRes Noise<0.03Ω
Protection gradeIP51



GZ045 Series Parts# List
Part#20A10ASignal / 5ALengthPart#20A10ASignal / 5ALength
GZ045-S0900940GZ045-P16201600101.2
GZ045-P061006040GZ045-S450045121.6
GZ045-P042040040GZ045-P0610-S360636121.6
GZ045-S18001860.4GZ045-P1210-S2701227121.6
GZ045-P0610-S0906960.4GZ045-P1810-S1801818121.6
GZ045-P1210012060.4GZ045-P2410-S090249121.6
GZ045-P082080060.4GZ045-P30100300121.6
GZ045-S27002780.8GZ045-P20202000121.6
GZ045-P0610-S18061880.8GZ045-S540054142
GZ045-P1210-S09012980.8GZ045-P0610-S450645142
GZ045-P1810018080.8GZ045-P1210-S3601236142
GZ045-P1220120080.8GZ045-P1810-S2701827142
GZ045-S360036101.2GZ045-P2410-S1802418142
GZ045-P0610-S270627101.2GZ045-P3010-S090309142
GZ045-P1210-S1801218101.2GZ045-P36100360142
GZ045-P1810-S090189101.2GZ045-P24202400142
GZ045-P24100240101.2

what is rotating electrical(rotating electric) and rotating power plug?

A electrical device which can transmit power/signal from stator part to rotor part, at the same time, wires is not twisted. at most time, we also call it as slip rings or electrical slip rings. moflon supply full range of rotating electrical(rotating electric) and rotating power plug products for agricultural, industrial, automotive, heavy duty, marine and powersports applications for the aftermarket.

If you have special requirements about rotating electrical(rotating electric) and rotating power plug, please contact customer service.

More product references in the same series:
Request 3D Model(*.STEP) Files
X

In our 3D database, over 20000 3D -Models are available, due to protection of commercial confidentiality,
Please write your company name and email.

3D Model files will be sent to your emails automatically in 5 minutes.

Please Input Validate code

QUESTIONS?

Our experts are here for you!

CONTACT US

email

WhatsApp

Sales

Tel

email

E-mail

sales@moflon.com

网站统计