';
MG086 Series
OD 86mm, 2~72 rings
rotating electric plug
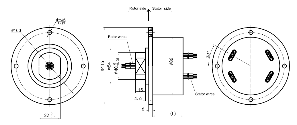
  • MG086 series slip rings is 360°rotating electric plug, rotating electrical plug with OD 86mm, with flange on the stator side,solid ,no through hole. special designed for flange mounting application.
  • • With solid style, no through bore, can support much more circuits at the same OD.
  • • This solid stator flange slip ring is suitable for end face mounting by stator flange.
Standard series PART# Explanation

rotating electrical plug

Product Quality Level Table
Products Level CodeMax speedWorking LifeContact Material
VC150RPM15Million Revs.Precious Metal
VD600RPM80Million Revs.Precious Metal

Specification
Mechanical dataElectrical data
ParameterValueParameterValue
Working LifeSee Prod Quality LevelPowerSignal
Rotating SpeedSee Prod Quality LevelRated Voltage0~440VAC/VDC0~440VAC/VDC
Working Temp.-30℃~80℃Insulation Res≥1000MΩ/500VDC≥1000MΩ/500VDC
Operating Humidity0~85% RHLead WiresAWG16#TeflonAWG22#Teflon
Contact MaterialSee Prod Quality LevelLead LengthStandard 300mm
Housing MaterialAluminium AlloyDielectric Strength500VAC@50Hz,60s
Torque0.1N.m;+0.03/6ringRes Noise<0.01Ω
Protection gradeIP51



MG086 series slip ring part list
Part#10ASignal/5ALength(mm)Part#10ASignal/5ALength(mm)
MG086-S0202 31.6 MG086-P1210-S12 12 12 106.4
MG086-P02102031.6MG086-P1810-S06 18 6106.4
MG086-S0303 35 MG086-P2410 24 0 106.4
MG086-P03103035MG086-S30 0 30 126.8
MG086-S0606 45.2MG086-P0610-S24 6 24 126.8
MG086-P0210-S042445.2MG086-P1210-S18 12 18 126.8
MG086-P0410-S024245.2MG086-P1810-S12 18 12 126.8
MG086-P06106045.2MG086-P2410-S06 24 6 126.8
MG086-S12012 65.6MG086-P3010 30 0 126.8
MG086-P0210-S1021065.6MG086-S36 0 36 147.2
MG086-P0310-S093965.6MG086-P0610-S30 6 30 147.2
MG086-P0610-S066665.6MG086-P1210-S24 12 24 147.2
MG086-P0810-S048465.6MG086-P3610 36 0 147.2
MG086-P1010-S0210265.6MG086-S42 0 42 167.6
MG086-P121012065.6MG086-P0610-S36 6 36167.6
MG086-S18018 86MG086-P1210-S30 12 30 167.6
MG086-P0210-S1621686MG086-S48 0 48 188
MG086-P0410-S1441486MG086-P0610-S42 6 42 188
MG086-P0610-S1261286MG086-P0910-S39 9 39 188
MG086-P0810-S1081086MG086-P1210-S36 12 36 188
MG086-P1010-S0810 886MG086-P1810-S30 18 30 188
MG086-P1210-S0612 686MG086-P2410-S24 24 24 188
MG086-P1410-S04 14 486MG086-S60 0 60 238.8
MG086-P1610-S02 16 286MG086-P0610-S546 54 238.8
MG086-S24 0 24 106.4MG086-P0910-S51 9 51 238.8
MG086-P0410-S20 4 20106.4MG086-P1210-S48 12 48 238.8
MG086-P0610-S18 6 18106.4MG086-S720 72 289.6

what is rotating electric plug and rotating electrical plug?

A special electrical device which can get power/signal passed from stator part to rotor part, at the same time, wires is not twisted. moflon supply full range of rotating electric plug and rotating electrical plug slip rings for agricultural, industrial, automotive, heavy duty, marine and powersports applications for the aftermarket.

If you have special requirements about rotating electric plug and rotating electrical plug, please contact customer service.



More product references in the same series:
Request 3D Model(*.STEP) Files
X

In our 3D database, over 20000 3D -Models are available, due to protection of commercial confidentiality,
Please write your company name and email.

3D Model files will be sent to your emails automatically in 5 minutes.

Please Input Validate code

QUESTIONS?

Our experts are here for you!

CONTACT US

email

WhatsApp

Sales

Tel

email

E-mail

sales@moflon.com

网站统计