Note:Below special demands can be customized,Accordingly,the delivery date will be extended 3~15days,also the cost will be increased 30%~50%.Most of our basic parts are standard and modular ,customized greatly save the cost and time as well.
① The wiring mothed and length can be customized for both rotor and stator.
② Because of the structure limitation,length/height/OD can be customized on you request.
③ Support over 300 rings of current and signal.
④ Aviation plug,Terminal and Heat-shrink tube can be selected.
⑤ Hybrid slip ring for Yaskawa/Panasonic /Siemens servo control signal,main power,encoder
⑥ Support mixed high speed data transmission(including Ethernet,USB,Profibus,Ethercat,CANOPEN,CANBUS,RS232,RS485).
⑦ Mixed Temperature control signal and Thermocouple signal
⑧ Special environment customize for quakeproof and high temperature.
⑨ Hybrid Pnuematic/Hydraulic +electrica slip ring.
⑩ Max. Temperature :500℃.
⑪ Max.Voltage:110kV.
⑫ Max. rotating speed :10000RPM.
⑬ Max.current:5000A.
⑭ Military grade.
⑮ Options:Aqua mode,IP65 or IP68 .
⑯ Stainless steel Housing.
Technical support:technical@moflon.com
At Moflon, 60% sales are customized, custom solutions tailored to meet your project's exact requirements.
Learn more customized solutions,please click here!, Technical support: technical@moflon.com
Build On Your Request/Special requirements
MOFLON specialize in customized solutions, Now our models have over 12000, and over 80% model are customized on customer request and base on technology and full experience, our slip ring solution including traditionary carbon brush, gold wire contact, gold fiber brush contact, no contact transmit, each solution application depend on the customer real application request with economically, high quality and reliability.
MOFLON supply build-on-request service base on MHF108 series, the delivery time of build-on-request is 2 weeks,and price is only 10%~30% more than the standard version.
Now, Let's start - how to build on request?
Customized Order Instructions:
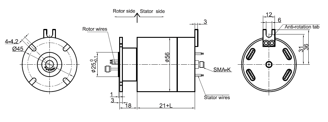
MHF108
For example:
- if order MHF108 with 65wires*signal,the model should be MHF108-S65.
- if order MHF108 with 12wires*signal + 3wires*10A,,the model should be MHF108-P0310-S12
Other requirements:
Please describe the following special requirements:Length restrict, height restrict, other size restrict,wire exit direction,lead wire length,connectors,high temperature,large current,military grade, and some other options, and Send email to us: technical@moflon.com.
Build-On-Request Flowing:
|
At Moflon, 60% sales are customized, custom solutions tailored to meet your project's exact requirements.
Learn more customized solutions,please click here!, Technical support: technical@moflon.com