';
MHF300 Series
3 channel Coaxial/RF/High Frequency Slip Rings | Rotary Joints
MHF300 slip rings
  • MHF300 is one channel RF + electric combining high frequency rotary joint. High frequency + electric slip ring is specifically designed to support high-speed serial digital signals or analog signal transmission. It can support maximum transfer rate 40GHz. This series product can support single channel high frequency transmissions, also support high-frequency signal transmission combining with 24V control signal, communication signal, power supply and fluid media. High-frequency signal adopts 50Ωcharacteristic impedance RF coaxial connector.(other specified connectors are switchable, also Lead wire size are optional, such as RG178、RG316、RG174, etc.)
Standard series PART# Explanation

Specification
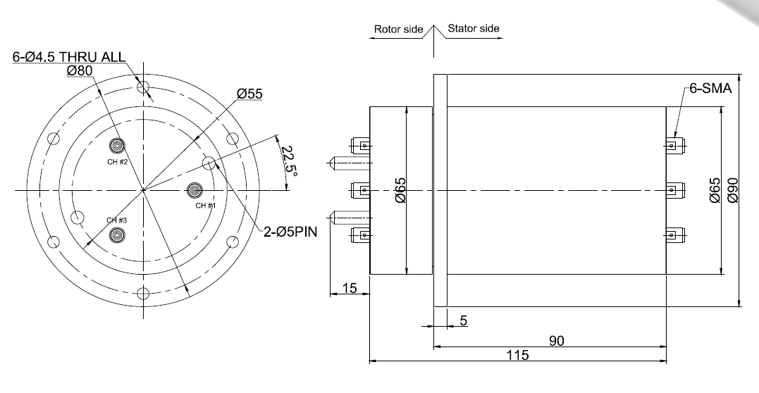
Mechanical data(RF Rotary joints) Specifications
ParameterValueParameter123
Working Life50Million Revs.Insertion Loss<0.5<0.5<0.5
Rotating Speed100RPMInsertion Loss Ripple<0.05<0.05<0.05
Working Temp.-30℃~80℃VSWR<1.3<1.3<1.3
Operating Humidity0~85% RHVSWR Ripple <0.05<0.05<0.05
Contact MaterialGold-GoldAverage Power50W15W15W
Housing Materialstainless steel
Torque0.1N.m;+0.03/6ring
Protection gradeIP51





MHF300 - 3channel RF rotary joint part list
Part#RF ChannelFrquencyConnector Types
MHF300-SMA-4.5G32.5GHz/ChannelSMA


More product references in the same series:
Request 3D Model(*.STEP) Files
X

In our 3D database, over 20000 3D -Models are available, due to protection of commercial confidentiality,
Please write your company name and email.

3D Model files will be sent to your emails automatically in 5 minutes.

Please Input Validate code

QUESTIONS?

Our experts are here for you!

CONTACT US

email

WhatsApp

Sales

Tel

email

E-mail

sales@moflon.com

网站统计