';
| Product Quality Level Table | |||||
| Part# | Max speed | Working life | Torque | Electrical noise①@10Rpm | |
| MSP106AC | 250RPM | 10 million Revs | 0.02 N.m | 10mΩ | |
| MSP1069AC | 1000RPM | 50 million Revs | 0.005 N.m | 4mΩ | |
| Specification | ||||
| Electrical data | Mechanical data | |||
| Parameter | Value | Parameter | Value | |
| Power | Signal | Working Temp. | -30℃~80℃ | |
| Rated Voltage | 0~210VAC/VDC | 0~210VAC/VDC | Operating Humidity | 0~85% RH |
| Insulation Res | ≥1000MΩ/500VDC | ≥1000MΩ/500VDC | Contact Material | Gold-Gold |
| Lead Wires | AWG30#Teflon | AWG30#Teflon | Protection grade | IP41 |
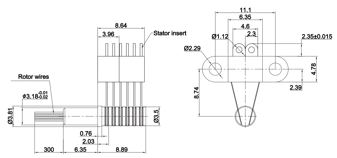
| Lead Length | Standard 300mm | |||
| Dielectric Strength | 500VAC@50Hz,60s | |||
| Res Noise | <0.01Ω | |||
![]() What is slip ring rotor and slip ring brush? | ||||||||||||







In our 3D database, over 20000 3D -Models are available, due to protection of commercial confidentiality,
Please write your company name and email.
3D Model files will be sent to your emails automatically in 5 minutes.